Freebies!
Ok, so I'm a packrat. Here, in no particular order, is my jumbled collection of things & stuff. Think of it kind of like a flea market -- there's good stuff to be had, but sometimes you have to dig a little for it! This page perpetually under construction....
Technical Links
Personal Web Sites
Clubs and Groups
Suppliers
These are all vendors I have used and recommend without reservation
- Roop's MG
- Tony Barnhill
- Flying Circus English Cars, Ltd
- Team Triumph
- The BHive
- Moss Motors
- Engel Imports
- MacGregor British Car Parts - the best rubber parts in the business!
- Little British Car Co.
- British Wiring, Inc.
- Hendrix Wire Wheel
Hints, Articles, Etc
- What a thermostat really does
- Free Brake Adjuster Tool
- MG Roadster Repaint tracker (track your orders!)
AppleWorks Excel - How to fold an MGB hood (PDF)
- MGC Water Pump Gasket (12B1446)
- MGB Tstat Housing Gskt (GTG101)
- MGC Filler Neck Gskt (GTG101)
- MGC Tstat Housing Gskt (GTG103)
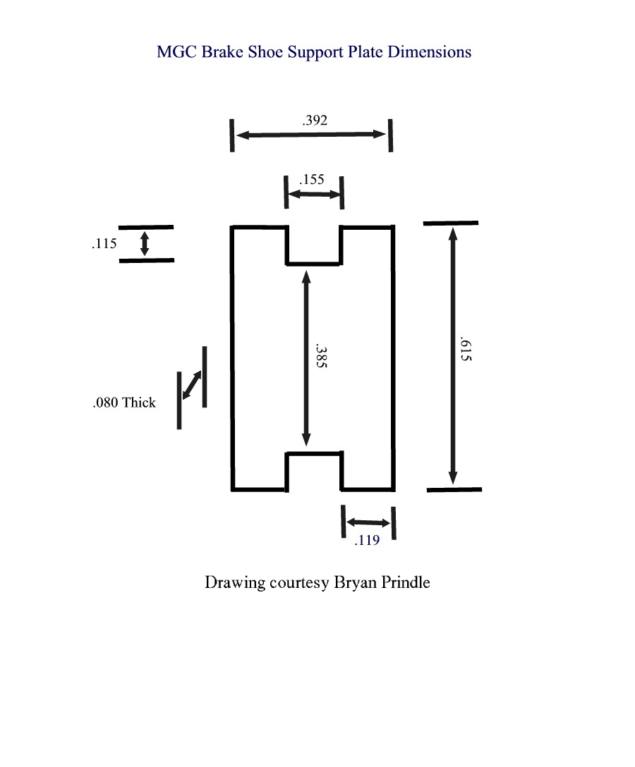
- MGC brake shoe support plate (27H9242)
Copyright © 2003-7 Robert Edwards. All rights reserved. Email me!